Capacity : 20-100 tons, Stroke : 100-150 mm, Working : 700 bar (Max)
                        We are Manufacturer, Supplier, Exporter of: Aluminium Plain Ram, Center Hole, Single Acting Hydraulic Jacks ( AHS-Series ) from Belgaum, Karnataka, India.
Features / Benefits :- High strength, light metal Aluminium alloy body for longevity.
 - Bore is roller burnished for work hardened smooth surface.
 - Double acting for quicker retraction to get ready for next operation.
 - Scraper / Wiper to arrest ingress of foreign particles.
 - Safety valve to prevent pressure intensification in the annular area.
 - Replaceable hardened steel saddle to prevent denting & bulging of ram head.
 - Larger steel base for stability.
 - Ergonomic handles to ease handling.
 - Bottom mounting holes meant for fixturing the steel base & not to be removed.
 - Golden ring prevents overshoot of ram. Golden ring withstands full load of the jack.
 - Customised Higher capacity, strokes available on request.
 - Quick connect couplers with plastic dust caps. Aluminium dust cap on request.
 - Port size 3/8th inch NPT.
 
                                    
                                        Application :
                                    
                                    
Technical Specification :
  
                                    
                                      
                                        
                           
                                       
                                  
                                
                                To pull or push at elevated location where weight of the jack is a concern. These jacks are for maintenance purpose only and not for production.
Technical Specification :
MODEL NO.  | 
                             Capacity  | 
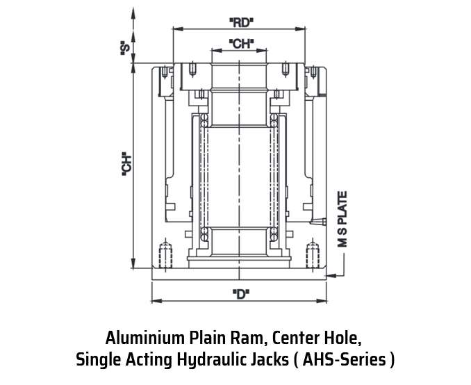
                             Closed  Ht. 'CH'  | 
                             Stroke  'S'  | 
                             C Hole  Dia mm.  | 
                             Ram Dia  'RD'  | 
                             Outer Dia  mm.  | 
                             Oil  volume  | 
                             Approx  Weight  | 
                             Suitable Hand Pump  | 
                           
  | 
                             tons.  | 
                             mm.  | 
                             mm.  | 
                             mm.  | 
                              mm.  | 
                             cc.  | 
                             kg.  | 
                             ||
AHS-20/100  | 
                             20  | 
                             225  | 
                             100  | 
                             28  | 
                             70  | 
                             110  | 
                             346  | 
                             8  | 
                             PHP-200/2  | 
                           
AHS-20/150  | 
                             20  | 
                             275  | 
                             150  | 
                             28  | 
                             70  | 
                             110  | 
                             428  | 
                             10  | 
                             PHP-200/2  | 
                           
AHS-30/100  | 
                             30  | 
                             270  | 
                             100  | 
                             28  | 
                             95  | 
                             130  | 
                             520  | 
                             9  | 
                             PHP-200/2  | 
                           
AHS-30/150  | 
                             30  | 
                             335  | 
                             150  | 
                             34  | 
                             95  | 
                             130  | 
                             780  | 
                             12  | 
                             PHP-200/2  | 
                           
AHS-50/100  | 
                             50  | 
                             265  | 
                             100  | 
                             42  | 
                             110  | 
                             165  | 
                             805  | 
                             15  | 
                             PHP-500/6  | 
                           
ANS-50/150  | 
                             50  | 
                             315  | 
                             150  | 
                             42  | 
                             110  | 
                             165  | 
                             1185  | 
                             17  | 
                             PHP-500/6  | 
                           
AHS-60/100  | 
                             60  | 
                             280  | 
                             100  | 
                             54  | 
                             120  | 
                             200  | 
                             920  | 
                             24  | 
                             PHP-500/6  | 
                           
ANS-60/150  | 
                             60  | 
                             330  | 
                             150  | 
                             54  | 
                             120  | 
                             200  | 
                             1365  | 
                             28  | 
                             PHP-500/6  | 
                           
AHS-100/100  | 
                             100  | 
                             350  | 
                             100  | 
                             70  | 
                             170  | 
                             250  | 
                             1565  | 
                             42  | 
                             PHP-500/6  | 
                           
AHS-100/150  | 
                             100  | 
                             400  | 
                             150  | 
                             70  | 
                             170  | 
                             250  | 
                             2345  | 
                             48  | 
                             PHP-500/6  |